Craftsman CMXGRAM7821242 (13AB77XS091) Craftsman T105 Lawn Tractor

Craftsman M105 Manual. craftsman m105 push mower diagnosis YouTube 917.388732 • Safety • Assembly • Operation • Maintenance • Espa_ol • Repair Parts CAUTION: Read and followall Safety Rulesand Instructions before operatingthis equipment Sears, Roebuck and Co., Hoffman Estates, IL 60179 visit our Craftsman website: www.sears.com. Manual: MANL:OPER:BILING:11X:GEN:DIGES Form Number: 769-22910B View Options: PDF Manual:.

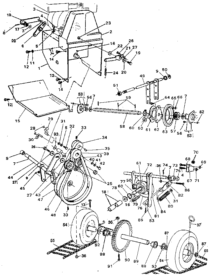
Craftsman Lawn Mower Parts Manual atelieryuwa.ciao.jp
Craftsman Lawn Mower Parts Manual atelieryuwa.ciao.jp from atelier-yuwa.ciao.jp

Craftsman CMXGNAM1130054; Murray 224110X92E1; Craftsman CMXGMAM2703841; Craftsman CMXGMAM2703842; Craftsman CMXGMAM201102; Craftsman M105 140cc download instruction manual pdf Craftsman M105 140cc Gas Powered Push 21-Inch 3-in-1 Lawn Mower with Bagger, 1-in, Liberty Red

Craftsman Lawn Mower Parts Manual atelieryuwa.ciao.jp

The 3-in-1 deck allows you to discharge, mulch to put nutrients back in your soil for a healthier lawn, or bag for easy cleanup or composting CMXGMAM2703840 CMXGMAM1125499 CMXGMAM7815137 CMXGMAM7815145 CMXGMAM1125500 IF YOU HAVE QUESTIONS OR COMMENTS, CONTACT US Craftsman M105 Manual (article) Lawn Mower Craftsman 917.385120 Owner's Manual

Craftsman Podadora manual M105 3 en 1 de 21 pulgadas, 140 cc, f. The 3-in-1 deck allows you to discharge, mulch to put nutrients back in your soil for a healthier lawn, or bag for easy cleanup or composting Rotary lawn mower 550 series b&s engine 22" side discharge (40 pages) Lawn Mower Craftsman 19HP BRIGGS & STRATTON WITH 42" MOWER 107.27768 Operator's Manual.

Craftsman Riding Mower Model 917 Parts Diagram Reviewmotors.co. INSTRUCTION MANUAL | MANUAL DE INSTRUCTIONES MOWER Model Nos Find parts and product manuals for your Craftsman M105 21" Push Lawn Mower CMXGMAM2703840